Skip to content
Published On:
Sep 3, 2011
Last Updated:
May 4, 2026

A MOSFET (big breath now…it stands for…Metal-Oxide-Semiconductor Field-Effect-Transistor) is a three-pin active semi-conductor device, used frequently in electronics design. In the most basic sense, they can be thought of as a voltage controlled switch that can turn things on and off (or partially on, when used as an amplifier!).

MOSFETs should not be confused with similar but different semiconductor devices such as MODFETs (modulation-doped FETs) or MESFETs (metal-semiconductor FETs). Depletion-mode MOSFETs are closely related to JFETs.

Uses

  • Basic electric switches (turn a load on/off)
  • Totem-pole drivers
  • H-bridges
  • 3-Phase Inverters
  • Current regulating shunts (with feedback)
  • Switch-mode PSUs

Types And Schematic Symbols

Enhancement-Mode

Unfortunately for the keen circuit designer learning about MOSFETs, there is a dizzying variety of MOSFET symbols in use, owing to the fact that there are a larger number of different MOSFET types, and that no one can agree on a single standard. This section will walk you through all the various types. The below image shows the commonly used schematic symbols for enhancement-mode MOSFETs, with both the N-channel and P-channel variant.

Schematic symbols for enhancement-mode N-channel and P-channel MOSFETs. D=drain, S=source, G=gate. This is one of the most popular variants of symbol for these device types, and contains the most information (e.g. shows the body diode, so you can’t forget it exists when designing your circuit!).

The arrow in the symbol has its origins from a simple diode, in which the arrow points from the P-type substrate to the N-type substrate (which is also the direction of conventional current flow through a diode). Sometimes an outer circle is added to the above symbols, since a MOSFET is a transistor and by convention transistors are drawn with circles (e.g. think about a BJT symbol). However this has been omitted from the above symbols as it does contribute somewhat to the “noisiness”, I find the circle-less symbol much cleaner. Totally a personal preference though.

Depletion-Mode

Although not as popular as enhancement-mode MOSFETs, depletion-mode MOSFETs are a very important MOSFET type. They are typically distinguished on schematics from enhancement-mode types by drawing a solid line rather than a dashed line for the channel, as shown below:

Schematic symbols for depletion-mode MOSFETs.

The easiest way to show the difference between enhancement and depletion-mode MOSFETs is to plot a VGSV_{GS} vs. IDI_D graph as shown below:

Vgs vs. Id for enhancement-mode and depletion-mode N-channel MOSFETs. Fictional example (not based from real data).

The curve for the depletion-mode MOSFET is shown on the left. As you can see, the device is OFF (not conducting current) when VGSV_{GS} is around 4V-4\,\text{V} and is well and truly on when VGSV_{GS} gets to 0V0\,\text{V}. In comparison, the enhancement-mode MOSFET is fully off when VGS=0VV_{GS} = 0\,\text{V}, and takes around +3V+3\,\text{V} before it starts conducting.

Depletion-mode MOSFETs are used for:

  • Bi-directional current limiting circuits (which can also withstand high voltages)
  • Current sinks/sources
  • Attaching onto the input of a linear regulator to allow it to run of high voltages (or protect it from ESD)1.

Alternate Style #1: Arrows

Sometimes the body connection, body diode and enhancement/depletion mode indicators are removed altogether from the schematic symbol, and a simplified set of symbols is used as shown below:

A simplified/alternate style for a MOSFET symbol. Note the different convention used for the direction of the arrows! There is also no distinction between depletion and enhancement-mode MOSFETs in the alternative style (assume it is enhancement-mode if in doubt).

Alternate Style #2: Polarity Dot

The difference between N-channel and P-channel MOSFETs may be instead distinguished by adding an inverting-style circle on the gate pin as shown below. This symbolises that a P-channel is the inverse of the more typical/standard N-channel (in a sense).

An alternative style for a MOSFET symbol using a basic symbol for the N-Channel, and then adding a dot on the gate for the P-Channel.

This style is commonly used when drawing MOSFETs as part of logic gates and other integrated circuitry, due to its simple and small symbol size which does not clutter the page when illustrating complex logic that might use 10’s or 100’s of these devices. Also, due to the substrates being connected to the rail voltage and ground, the drain/source are symmetric and there is no need to distinguish between the two.

CMOS 4-pin MOSFETS

MOSFETs inside ICs do not normally have the substrate connected to the source, and are instead drawn as four pin devices, of which the additional fourth pin is connected to the substrate (a.k.a. four-port MOSFETs). When using CMOS technology, N-channel MOSFETs are typically connected to the negative voltage rail (e.g. 0V0\,\text{V}), and P-channel MOSFETs connected to the positive voltage rail (e.g. VDDV_{DD}). Note also that as soon as you disconnect the substrate from the source, the drain and source pins no longer have any differences, i.e. they can be interchanged and the device will still work as expected. Also, because the source-to-substrate is not shorted out, the MOSFET now has two internal back-to-back diodes, rather than just the one, and can block current in both directions.

ICs such as voltage-level translators and analogue switches use this substrate connection to their advantage (especially the part about blocking current in both directions).

For more information on this, see the The Body Effect And Connecting The Substrate To The Source section below.

Important Parameters

Note that with all voltage parameters that mention two pins of a MOSFET (e.g. VDS(max)V_{DS(max)}), the voltage is measured from the first pin to the second pin (e.g. from the drain to the source). This would be the same as connecting the red probe of a multimeter to the drain, and the black probe to the source.

Sorted by alphabetical order, including subscripts.

Rds(on)

RDS(on)R_{DS(on)} is the on-state drain-source resistance. This is the resistance between drain and source when the MOSFET is turned on with a strong gate drive and low VDSV_{DS} (hence in the linear, Ohmic region of operation). The on resistance is usually around 1-10Ω1\text{-}10\,\Omega for smaller MOSFETs, and can be as low as 1mΩ1\,\text{m}\Omega for larger power MOSFETs. RDS(on)R_{DS(on)} rises rapidly with the maximum drain-source voltage rating of the MOSFET. For conventional silicon MOSFETs, on resistance scales as roughly VDS(max)2.5V_{DS(max)}^{2.5} (the so called “silicon limit” or “1D-limit”).2 For this reason BJTs or IGBTs (which both have a BJT like output) are instead preferred for high-voltage high-current applications, when the voltage starts to exceed 400V400\,\text{V}. Superjuncion, SiC and GaN MOSFETs may avoid this tradeoff.

Vds(max)

VDS(max)V_{DS(max)} is the maximum drain-source voltage. It is the maximum allowed voltage between the drain and source. A higher voltage can cause the MOSFET to breakdown. This is commonly just called the voltage rating of the MOSFET, as it describes the maximum voltage it can withstand between its “switching” terminals.

Vgs(max)

VGS(max)V_{GS(max)} is the absolute maximum gate-source voltage (aka gate-source breakdown voltage). Voltages above this may irreversibly destroy the MOSFET. This is due to the very thin gate-oxide layer (100nm100\,\text{nm} thick, or less!) that separates the gate from the MOSFET channel, which is easily destroyed by a “high” voltage. This can be called oxide breakdown. VGS(max)V_{GS(max)} is very commonly ±20V\pm 20\,\text{V} for a huge variety of MOSFET families.

Because of the very high impedance of the gate pin, MOSFET devices are very sensitive to static electricity. Especially so when not soldered into any circuitry. It does not take much charge on the gate to exceed the max. gate-source voltage and destroy the MOSFET. Anti-static precautions are recommended when handling individual MOSFETs (i.e. anti-static mats, discharge wrist straps).

Vgs(th)

VGS(th)V_{GS(th)} is the gate-source threshold voltage (or just threshold voltage). The voltage between the gate-source at which the MOSFET begins to turn on. The point at which it “begins to turn on” is defined by the manufacturer and should be mentioned in the datasheet. Typically is is a certain drain current, e.g. 1μA1\,\mu\text{A}.

How To Use Them?

The amount of current through the drain-source in controlled by a voltage on the gate. To make a basic switch, you can insert an N-Channel MOSFET between the load and ground. The source is connected to ground, and the drain to the negative terminal of the load. If the gate is given 0V0\,\text{V} (aka connected to ground), the switch will be off. If significantly more than VGS(th)V_{GS(th)} is applied to the gate, the MOSFET will fully turn on (conduct current), and the load will get power.

P-channels work in a similar manner to N-channels, the difference being that a negative VGSV_{GS} has to be applied to turn them off (that is, the voltage on the gate has to be less than that on the source). This results in them commonly being used for high-side switching, in where the source is connected to VCCV_{CC}, the drain to the load, and the gate voltage pulled low to turn it on, or pulled-up to VCCV_{CC} to turn it off.

In any case, do not leave the MOSFET gate floating. Since it has a very high impedance input, if the gate is not driven, then noise can change the voltage on the gate, and cause the MOSFET to conduct/have undefined behaviour.

The above examples describe switching a MOSFET from its fully off state to its fully on state. But if you apply a VGSV_{GS} at or just above VGS(th)V_{GS(th)}, the MOSFET will only partially turn on. The below image illustrates a MOSFETs behaviour:

Graph showing the linear and saturation regions for a MOSFET at different gate voltages.

Leakage Current

Leakage current is an important parameter to consider when you are using the MOSFET for switching on-and-off other circuitry in a low power design. MOSFET have both a gate-to-source and a drain-to-source leakage current. Typically the drain-to-source leakage current is 10x greater than the gate-to-source leakage current. The drain-to-source leakage current increases greatly with an increase in temperature. Typical values at 25C25\,^\circ\text{C} are 100nA100\,\text{nA} for the gate-to-source leakage current and 1μA1\,\mu\text{A} for the drain-to-source leakage current.

If you need lower leakage currents than what you can achieve with a MOSFET, try using a J-FET. They have typical leakage currents of 1-10nA1\text{-}10\,\text{nA}.

Failure Modes

There are three ways in which a MOSFET can generally fail:

  • Gate punch-through: Occurs when a large voltage spike appears on the gate that exceeds the maximum gate-source voltage (typically 10-20V10\text{-}20\,\text{V}). It punches a hole in the weak oxide layer.
  • The drain-source voltage exceeds the rated maximum
  • Overheating

To prevent over-voltage failure’s, TVS diodes, Zener diodes, or snubber circuits can be used to protect the pins. TVS and Zener diodes are the most common ways to do this, and are used to clamp the voltages to a safe level.

Almost always, a MOSFET will short out the drain and source when it fails. This mean the MOSFET goes into conduction, and can destroy even more circuitry! Either make sure that your MOSFET won’t fail, or take precautions against large currents if it does. I experienced plenty of MOSFET failures when designing the half-bridge for the Electric Skateboard project.

Thermal Stability

The drain-source resistance of a MOSFET increases with an increase in temperature (a BJT behaves in the opposite manner, its collector-emitter resistance decreases with an increase in temperature).

This means that MOSFETs can share current with each other relatively easily. The positive temperature-to-resistance coefficient creates a self-balancing current mechanism for MOSFETs connected in parallel. This works for most basic use cases, but beware of the Spirito effect which can be an issue at high VDSV_{DS} voltages and low IDI_D currents. If connecting MOSFETs in parallel, make sure each MOSFET has its own gate drive resistor. Directly connected MOSFET gates can cause weird oscillation problems.

Dead-Time

Dead-time is a technique which is commonly applied to MOSFET driving when the MOSFETs are in a H-Bridge (or half-bridge) configuration. Dead-time is the time between when one MOSFET(s) is turned off and another MOSFET(s) is turned on. It is used to prevent shoot-through, which is when two MOSFETs on the same leg of a H-bridge are on at the same time, creating a direct short between VCCV_{CC} and GNDGND. Shoot-through occurs because of the finite turn-on/turn-off times of a MOSFET.

Turn On/Turn Off Times

In precise pulse-drive situations, it is desirable for the MOSFET to have similar turn-on and turn-off times. This is so the output pulse, although delayed by these parameters, has roughly the same width as the input pulse to the gate. This is important in applications such as laser range-finding.

Different MOSFET Construction Methods And Industry Names

Sorted alphabetically by name.

DMOS FET (Double-Diffused MOSFETs)

The DMOS (Double-Diffused MOSFET) was first developed in 19693.

FinFETs

FinFETs are multi-fin FETs which overcome issues once MOSFETs approach very small sizes (such as 22nm22\,\text{nm}).

The 3D structure of a multi-fin MOSFET (FinFET).

FRFET

A trademarked name by Fairchild used to label some of their fast-recovery MOSFETs used in inverter and BLDC controller design

HEMT

The high-electron-mobility transistor (HEMT) is not technically a MOSFET, but is very closely related. It is a field-effect transistor which contains a junction between two materials with different band gaps4.

LDMOS (Laterally-Diffused MOSFETs)

PROFET

A name (it stands for protected-FET) used by Siemens and now Infineon to describe power MOSFETs with built in logic circuitry for “smart switches”, designed for controlling current and voltage into a load. An document about PROFETs from Infineon can be found here.

Trench MOSFETs

Trench MOSFETs give a very low RDS(on)R_{DS(on)} per unit silicon area.

Gallium Nitride (GaN) MOSFETs

Gallium Nitride (GaN) MOSFETs switch much faster than traditional silicon MOSFETs5, resulting in lower switch losses in power electronics and higher-frequency operation (higher-frequency operation also allows for smaller inductors and capacitors). This is because they have much smaller gate capacitances than their silicon counterpart6.

One example of a GaN MOSFET is Texas Instrument’s LMG3525R030-Q1. It is a GaN MOSFET with an integrated driver, protection and error reporting. The driver supports switching speeds of up to 150V/ns150\,\text{V/ns}7.

3D render of the LMG3525R030-Q17.
Block diagram of the LMG3525R030-Q17.

MOSFET Applications

Load Switching

MOSFETs can be used for load switches, as shown on the Load Switches page. They can be used in a back-to-back configuration for creating AC solid-state relays (SSRs).

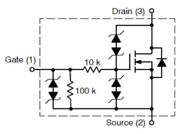
Some MOSFETs designed for switching loads support logic-level inputs (e.g. +3.3V+3.3\,\text{V} or +5.0V+5.0\,\text{V} from either a microcontroller or logic gate) and have built in TVS diodes. One such example is the DMN61D8L-7 from Diodes Incorporated. As shown below, this particular MOSFET package also included a pull-down resistor and ESD limiting resistor in series with the gate.

Internal schematics of the DMN61D8L-7 MOSFET from Diodes Incorporated8.

Isolated Gate Drives

One problem with MOSFETS (well, with any switched semiconductor) is dealing with the gate drive when either:

  • A) The source voltage is not constant or at a point where the gate-source voltage for turn-on is not easy to achieve
  • B) The MOSFET is dealing with large voltages and so electrical isolation between the load and the drive circuitry is desired/required (normally by law)

In these cases, the gate drive has to be isolated.

IRF - Application Note AN-937 - Gate Drive Characteristics And Requirements for HEXFET Power MOSFETs is a great article on isolated gate drive techniques.

Amplifiers

Common-Source Enhancement-mode MOSFET Amplifier

A common-source enhancement-mode MOSFET amplifier is a basic MOSFET-based amplifier. The most popular variant is based on an N-channel enhancement-mode MOSFET (although you can make common-source amplifiers with P-channels too!), in which the source is grounded. It is called a “common-source” amplifier because the source is a shared (common) terminal between the input and output. It is closely related to the BJT common-emitter amplifier. Like the common-emitter amplifier, it is an inverting amplifier.

Schematic of a basic common-source N-channel MOSFET amplifier.

The huge problem with the above circuit is the non-linearity.

Bi-directional Current Limiter

An interesting use for depletion-mode MOSFETs is a simple bi-directional current limiter circuit. The below image shows the schematic, which uses two depletion-mode MOSFETs connected back-to-back with a resistor in-between.

Schematic of a bi-directional current limiter made from two depletion mode MOSFETs and a resistor.

The circuit above utilizes the depletion-mode MOSFETs unique feature of being on when the gate-source voltage is 0V0\,\text{V}. The circuit works like this:

  1. When no current is flowing, no voltage is dropped across the resistor. Hence both MOSFETs VGSV_{GS} is 0V0\,\text{V}. Because these are depletion-mode MOSFETs, this means they are turned on, and the circuit appears as a resistance of value RSR_S.
  2. As current begins to flow from left-to-right, a voltage drop begins to appear across RSR_S. This creates a negative VGSV_{GS} for Q1Q1 and a positive VGSV_{GS} for Q2Q2. We can ignore the positive VGSV_{GS} as this only serves to turn Q2Q2 a little more (note that even if Q2Q2 wasn’t on, its internal body diode would conduct anyway). However the negative VGSV_{GS} on Q1Q1 is important!
  3. As the current reaches a certain value, VGSV_{GS} across Q1Q1 will become negative enough to reach its VGS(th)V_{GS(th)} (which is between 2.1V-2.1\,\text{V} and 1V-1\,\text{V} for the BSP1499). At this point it will begin turning Q1Q1 off, Q1Q1 will begin to drop voltage across it and hence limit the current of the circuit.
  4. Because of the symmetry this circuit works in exactly the same way if current is flowing in the other direction (right-to-left), but with the roles of Q1Q1 and Q2Q2 reversed.

Worked Example of the Bi-directional Current Limiter

The figure above shows two BSP149 MOSFETs and an RS=1kΩR_S = 1\,\text{k}\Omega.

From the datasheet of the BSP149, VGS(th)V_{GS(th)} is between 2.1V-2.1\,\text{V} and 1V-1\,\text{V}9. Unfortunately VGS(th)V_{GS(th)} is never a well defined parameter, so we’ll just pick a value in the middle of VGS(th)=1.5VV_{GS(th)} = -1.5\,\text{V}.

This means that the circuit should limit the current to approximately:

ILIM=VGS(th)RS=1.5V1kΩ=1.5mA\begin{align} I_{LIM} &= \frac{\left| V_{GS(th)} \right|}{R_S} \\ &= \frac{\left| -1.5\,\text{V} \right|}{1\,\text{k}\Omega} \\ &= 1.5\,\text{mA} \\ \end{align}

Because you can get depletion-mode MOSFETs with a maximum VDSV_{DS} rating of 200-1000V200\text{-}1000\,\text{V}, this circuit is an excellent candidate for protecting the input of something that could expect either a high positive or negative voltage.

TIP: Because of the part-to-part uncertainty in VGS(th)V_{GS(th)}, this circuit is suitable for crude current-limiting (e.g. for circuit protection) but not for designing an accurate current sink/source.

Internal Diodes

Because any PN junction is inherently a diode, a regular MOSFET has two of them. One of the diodes is removed when the substrate is connected to the source, which is usually done for any 3-pin discrete MOSFET component.

The Internal BJT

Aside from the two naturally occurring diodes, MOSFETs also contain a BJT. The source-substrate-drain layers form either an NPN or PNP BJT. You don’t normally have to worry about this “parasitic” element.

CMOS devices have PNPN structures. This forms a parasitic thyristor, which can cause latch-up.

The Body Effect And Connecting The Substrate To The Source

The basic design of a MOSFET provides four (not three!) electrical connection points. However most discrete MOSFET components only provide 3 leads from the package. This is because the substrate (body) lead is normally connected internally to the source, so you only get three external connections (Gate, Source/Substrate, and Drain). The below image shows the internal silicon structure of a MOSFET.

Diagram showing the internal silicon structure of a MOSFET. The MOSFET on the right does not have the source connected to the substrate, and has two parasitic body diodes (commonly done within ICs). The MOSFET on the left shows the source connected to the substrate (almost all discrete MOSFETs do this), which shorts out (removes) one the body diodes.

Some discrete MOSFETs do provide you with a separate substrate pin, for example the 3N163 as shown below:

A drawing of the 3N163 P-channel MOSFET, which has a fourth leg for the substrate connection (C). Image from http://pdf1.alldatasheet.com/datasheet-pdf/view/123459/CALOGIC/3N163.html.

The body effect (also known as the Substrate Bias Effect) of a MOSFET describes how the threshold voltage of a MOSFET, VTHV_{TH} is affected by the voltage difference between the substrate and source, VSBV_{SB}. Because the source-to-body voltage can affect the threshold voltage, it can be thought of as a second gate, and the substrate sometimes called the back gate, and this effect called the back-gate effect. For a N-channel MOSFET, as the substrate becomes more negative than the source, the threshold voltage of the MOSFET is increased.

Note that most discrete MOSFETs that you can buy internally tie the substrate to the source, meaning VSB=0VV_{SB} = 0\,\text{V}. This prevents any body effect from occurring.

For a N-channel MOSFET, the threshold voltage is affected by the body effect as governed by the following equation10:

VTN=VTO+γ(VSB+2ϕF2ϕF)\begin{align} V_{TN} = V_{TO} + \gamma (\sqrt{|V_{SB} + 2\phi_F|} - \sqrt{|2\phi_F|}) \end{align}

where:
VTNV_{TN} is the threshold voltage with substrate bias present [Volts]
VTOV_{TO} is the threshold voltage for zero substrate bias [Volts]
γ\gamma is the body effect parameter
VSBV_{SB} is the source to body (substrate) voltage [Volts]
ϕF\phi_F is substrate Fermi potential

The body effect parameter γ\gamma is:

γ=2qNAϵSCox\begin{align} \gamma = \dfrac{\sqrt{2qN_A\epsilon_S}}{C_{ox}} \end{align}

Another interesting note is that without the connection of the substrate to the source, the MOSFET source and drain connections would be identical, and there would be no need to separately identify them. As soon as the substrate is connected to the source, the MOSFETs internals become asymmetrical and you cannot freely swap around the drain and the source (if you do swap them, you’ll normally get the body diode conducting when you don’t want it to!).

For a N-channel MOSFET, when the substrate is not connected to the source, whatever N-doped implant is most negative in voltage will be the source. The important gate-source voltage to turn the MOSFET on will then be measured between the gate and this implant.

Why is the substrate normally connected to the source?

The substrate is normally connected to the source in most discrete MOSFETs because it makes the MOSFET easier to use. If the substrate is not connected to the source, you have to consider the body effect. It is easier/better to connect the substrate to the source internally (less connection resistance, one less lead, e.t.c) rather than to leave it up to the circuit designer to connect it externally. Manufacturers of ICs with integrated MOSFETs may choose to connect the substrate to something else. A common choice is ground.

When doing IC design, the substrate is often NOT connected to the source. The TPS2020 load switch by Texas Instruments is one example. You can see below that the substrate pin of the MOSFET at the top of the image is connected to ground.

Functional block diagram of the TPS2020 load switch. Note how the substrate of the MOSFET (top middle) is not connected to the source, but instead connected to ground. Image from http://www.ti.com/lit/ds/symlink/tps2020.pdf.

Another example is the NCP380 high-side load switch by On Semiconductor. Notice how in the below image the substrate of the MOSFET is connected to two switches, which can either connect it to the input or the output.

A functional diagram of the NCP380 high-side load switch. Note the switches connected to the MOSFET substrate which show how reverse-current protection is performed.

The Transconductance Of A MOSFET

The transconductance of a MOSFET is the ratio of a change in output current (drain-source current, IDSI_{DS}) due to the change in input voltage (gate-source voltage, VGSV_{GS}) over an arbitrarily small range of operation.

The range of operation has to be restricted because the transconductance of a MOSFET changes depending on the operating point.

Spice Model

Information about the MOSFET Spice model can be found on the Altium Simulation page.

Floating-gate MOSFETs

A floating-gate MOSFET (FGMOS) is a type of MOSFET where the gate is completely isolated. Isolation in this sense refers to no connection via conductive materials such as copper or doped semiconductor. The gate is capacitively coupled to one or more “input gates”. Because the gate is isolated (the gate can also be thought of as “floating”), any charge stored on it via the capacitive coupling remains there for a long time. This forms the basis of a floating-gate memory cell which is used to provide the storage in non-volatile memory such as EEPROM and flash. The cell “remembers” the state it was last in, for long periods of time, even when power is removed from the circuit.

How long will floating-gate MOSFETs retain their charge, if un-powered? As of 2020, the current mass-produced, consumer grade flash memory devices and SD cards claim to have a memory retention life of approximately 10 years, if left un-powered the entire time (if periodically plugged in, these devices can re-charge and “reset” the 10-year clock).

Split-Gate MOSFETs

A very critical parameter for a MOSFET is its on state resistance. The easiest way to reduce this is to increase the doping concentration of the epitaxial layer11. However this also decreases the breakdown voltage. The Split Gate MOSFET structure is a design that has been developed to allow the on resistance to decrease whilst keeping a high breakdown voltage. Comparing a standard MOSFET with a split-gate MOSFET which both have the same breakdown voltage, the on resistance of the split-gate MOSFET can be around 50% lower.

Current Sensing MOSFETs

The IXTN660N04T4 by IXYS is one example of a current-sensing MOSFET.

On Semiconductors application note AND8093/D has some great reading material on current sensing MOSFETs.

Avalanche Rated MOSFETs

Avalanche in a MOSFET is when VDSV_{DS} exceeds the breakdown voltage V(BR)DSSV_{(BR)DSS} (BRBR is breakdown, DSSDSS is drain-source with gate shorted to source) and the drain-body PN junction (body diode) enters reverse breakdown via impact ionization (see below image). The voltage field is strong enough that carriers are accelerated to a point where they can knock more carriers loose, creating a chain reaction. Avalanche most commonly occurs at switch off of a MOSFET — parasitic inductance in the circuit can cause a large voltage spike as the current abrutly stops (remember: V = L * di/dt).

All MOSFETs can experience avalanche breakdown, but only some are designed to be able to survive it, and are further rated for a specific number of avalanche cycles.

The most common metric is the single-shot Unclamped Inductive Switching (UIS) energy (EDS(AL)SE_{DS(AL)S}). This can also be called the Unclamped Inductive Load (UIL).12 Below is a circuit diagrams of the standard Unclamped Inductive Switching (UIS) test circuit used to measure MOSFET avalanche ruggedness (Q1Q1).12 The pulse generator applies a gate voltage and turns Q1Q1 on long enough to ramp the inductor current up to a target value, then switches it off; the inductor forces the drain voltage up into avalanche, and the MOSFET dissipates the energy.

A circuit diagram of the standard Unclamped Inductive Switching (UIS) test circuit.

This circuit produces the voltage and current waveforms shown below. The gate is driven high at t=0st = 0\,\text{s}. The current in the inductor (IdI_d) then begins to ramp up linealy due to a constant voltage (VDDV_{DD}) being applied to it. At t=100ust = 100\,\text{us}, the gate is driven low. The inductor wants to keep the current flowing, and so the voltage at VDV_D rises until the MOSFET enters avalanche and begins to conduct. The avalance voltage (VavV_{av}) is relatively constant at 50V50\,\text{V} during this period. Again, because of the constant voltage across the inductor, the current through it falls linearly back to 0A0\,\text{A}. There is a bit of ringing in the tail of VavV_{av} due to a resonant tank formed by the inductance and any parasitic capacitance (e.g. in the MOSFET). This ringing quickly decays to the steady state value of VDDV_{DD} (the MOSFET is blocking the supply), which was 2.5V2.5\,\text{V} in this illustration.

The plot on the right shows the power through and energy dissipated by the MOSFET during avalanche. Because of the fixed VavV_{av} across the MOSFET and the linear current drop, the power also drops linearly down to 0W0\,\text{W} (P=Vav×IdP = V_{av} \times I_d). The energy dissipated through the MOSFET as heat is just the integral of the power over time.

Voltage and current waveforms through the MOSFET during avalanche caused by the simple UIS test circuit.

The breakdown voltage VBRV_{BR} is typically:13

VBR=1.3V(BR)DSS\begin{align} V_{BR} = 1.3 V_{(BR)DSS} \end{align}

There are single-shot and repetitive avalanche events:13

  • Single-shot avalanche events: Avalanche events that occur due to fault conditions in a circuit. Avalanche operation is not intended nor repetitive.
  • Repetitive avalanche events: Avalanche is an intended mode of the MOSFET to enter into as part of the circuit design. The number of allowed events is a function of the avalanche energy.

The failure mode for power MOSFETs due to single-shot avalanche events is due to the junction temperature TJT_J exceeding it’s maximum rating.

Avalanche Rated MOSFET Examples

Nexperia’s ASFET (Application Specific repetitive avalanche silicon technology) range are designed for automotive solenoid switching and have guaranteed avalanche performance, tested up to a billion cycles.14

For example, the Nexperia BUK9K35-60RA is a dual N-channel MOSFET in a LFPAK56D package. It is rated for:15

  • EDS(AL)S,max=19.5mJE_{DS(AL)S,max} = 19.5\,\text{mJ} (non-repetitive drain-source avalanche energy)
  • EDS(AL)R,max=28.6mJE_{DS(AL)R,max} = 28.6\,\text{mJ} (repetitive drain-source avalanche energy)
Product screenshot of the Nexperia BUK9K13-60RA (dual avalanche rated MOSFET).16

You might be wondering why the single-shot avalanche energy is lower than the repetitive avalanche energy. This is because the two values are measured under very different conditions. The single-shot avalanche energy specifies ID=22AI_D = 22\,\text{A}, while the repetitive avalanche energy specifies ID=0.73AI_D = 0.73\,\text{A}.15

The below plots show the maximum avalanche current vs. the avalanche time and the max. number of avalanche events vs. the avalanche energy for the Nexperia BUK9K35-60RA (both for repetitive avalanche events).

Plots from the Nexperia BUK9K35-60RA datasheet showing avalanche current vs. time and events vs. energy (both for repetitive avalanche events).15

Reducing the Risk of Avalanche Breakdown

Two ways to reduce the risk of avalanche breakdown are:

  • Reduce the inductance of the circuit small by using short connections/tracks.
  • Increase the gate resistance. This will slow the switching speed down, reducing the magnitude of the voltage spike caused by the inductance when the MOSFET swithes off. However, increase switching times may not be acceptable as they increase the power dissapation through the MOSFET.

Manufacturer Part Number Families

  • 2N7002: N-channel, 60V60\,\text{V}, 300mA300\,\text{mA} MOSFET from a variety of manufacturers.

Part Recommendations

Link to DigiKey’s (US) MOSFET selection (single/discrete): https://www.digikey.com/en/products/filter/transistors-fets-mosfets-single/278

PMV45EN - N-Ch

  • Manufacturer: NXP
  • Manufacturer Part Number: PMV45EN
  • Supplier: Element 14
  • Supplier Part Number: 108-1483
  • Supplier Price: NZ0.29(1),NZ0.29 (1), NZ0.25 (100)

The PMV45EN is a low cost, very low RDS(on) N-Channel MOSFET which I use as the work horse for most of my projects. It has an RDS(on)R_{DS(on)} of only 35mΩ35\,\text{m}\Omega and is rated for a current of 5.4A5.4\,\text{A}. The maximum drain source voltage is 30V30\,\text{V}, making it suitable for most embedded, low voltage applications. Also in the PMV range is the PMV90ENER.

DMN3731U - N-Ch

With an max. RDS(ON)R_{DS(ON)} of 560mΩ560\,\text{m}\Omega when VGS=2.5VV_{GS} = 2.5\,\text{V}, this N-channel MOSFET can be directly connected to GPIO lines on a +3.3V+3.3\,\text{V} MCU.

MOSFET Safe Operating Areas

The section is in notes format and needs tidying up.

A MOSFET’s SOA (Safe Operating Area) is usually shown as a graph in the datasheet. The SOA graph shows which combinations of drain-source voltages and drain currents are safe and which will likely damage the MOSFET. The graph takes into account steady-state operating conditions (i.e. infinite DC current) and also pulse operation. Different areas are provided for current pulses of different lengths. SOA graphs are particular important to understand for hot-swap circuits.

Transient thermal impedance plot. This is a plot which shows how the effective thermal impedance of the MOSFET changes with a time-limited pulse of power (voltage x current). The thermal impedance reduces as the pulse period becomes shorter and shorter (these graphs usually show the change between 1μs1\,\mu\text{s} and 1s1\,\text{s}).

For moderate VDSV_{DS} voltages, manufacturers determine the lines on the SOA plot from the transient thermal impedance plot.

Spirito effect: Named after electronic engineer and professor Paolo Spirito who showed that as MOSFET manufacturers have pushed for lower and lower RDS(on)R_{DS(on)} values, they have also inadvertently increased the tendency for a MOSFET to fail by forming unstable hot spots. Modern-day high-spec MOSFETs are actually made from an array of MOSFET cells on the silicon with their sources, drains and gates connected in parallel. As some cells become hotter, their threshold voltage decreases relative to the other cells, and then they conduct more current, which can lead to a thermal runaway effect, destroying the MOSFET. High-density trench-style MOSFETs are affected the most.17

The Spirito effect is observed at high VDSV_{DS} voltages and low IDI_D currents. High VDSV_{DS} voltages because this results in a greater change in cell power as the cell current changes. Low IDI_D because this gives the cells more time to run away thermally — at higher currents the individual cells do not get a chance to thermally runaway since the entire package quickly hits its thermal limit.

For a really good read on the Spirito effect, see NASA’s publication: Power MOSFET Thermal Instability Operation Characterization Support

The below image shows a MOSFETs SOA diagram:

A MOSFET SOA (safe operating area) diagram, showing the different limits which bound the area.
  1. Rds(on) Limit: When VDSV_{DS} is very low, it means that the MOSFET is driven to saturation, and the MOSFET acts if it has a fixed drain-source resistance, RDS(on)R_{DS(on)}. This gives a linear relationship between voltage and current and is the limit line in the upper-left section of the SOA graph.
  2. Package Current Limit: MOSFET datasheets will specify a maximum current, irrespective of the amount of power dissipation. The current limit is driven by physical parts inside the package which are not the silicon MOSFET cell(s), but the surrounding lead wires, bonding clips, e.t.c. This gives the upper-centre horizontal line on the SOA graph.
  3. Power Limit: The power limit line is determined by the maximum power dissipation the MOSFET can handle before the junction temperature exceeds its maximum value (typically between 100-200C100\text{-}200\,^\circ\text{C}). This line is dependent on the case-to-ambient thermal resistance (which is specific to the PCB/environment the MOSFET is used in!) and ambient temperature, so the best the MOSFET manufacturer can do is assume a sensible value (and hopefully state the assumption in the datasheet).
  4. Thermal Instability: Thermal instability occurs at lower VGSV_{GS} voltages18.
  5. Breakdown Voltage Limit: Above a certain drain-source voltage, the MOSFET experiences “breakdown” and stops working correctly. This puts a hard upper-limit on the VDSV_{DS} voltage, shown by the far right vertical line on the SOA graph.

External Resources

Fairchild’s application note, AN-558 - Introduction To Power MOSFETs And Their Applications is a great resource when using MOSFETs for power applications.

Typical gate drive waveforms, on richieburnett.co.uk.

Footnotes

  1. IXYS (2014, Mar 10). AN-500: Depletion-Mode Power MOSFETs and Applications. Retrieved 2022-01-07, from https://www.ixysic.com/home/pdfs.nsf/www/AN-500.pdf/$file/AN-500.pdf.

  2. Meng Zhang, Baikui Li, Jin Wei (2020, Jun 5). New Power MOSFET with Beyond-1D-Limit RSP-BV Trade-Off and Superior Reverse Recovery Characteristics. MDPI Materials. Retrieved 2026-05-04, from https://www.mdpi.com/1996-1944/13/11/2581.

  3. Y. Tarui, Y. Hayashi, T. Sekigawa (1969). Diffusion Self-aligned MOST; A New Approach for High Speed Device. Retrieved 2021-02-18, from https://www.semanticscholar.org/paper/Diffusion-Selfaligned-MOST%3B-A-New-Approach-for-High-Tarui-Hayashi/c4ad0fa7b03e080cc027545f7152caa28633fa9a

  4. Wikipedia (2004, Jul 19). High-electron-mobility transistor. Retrieved 2021-02-18, from https://en.wikipedia.org/wiki/High-electron-mobility_transistor.

  5. Texas Instruments. Power management > Gallium nitride (GaN) ICs (product page). Retrieved 2022-05-17, from https://www.ti.com/power-management/gallium-nitride/overview.html.

  6. Infineon (2022). GaN HEMT – Gallium Nitride Transistor (product page). Retrieved 2022-05-17, from https://www.infineon.com/cms/en/product/power/gan-hemt-gallium-nitride-transistor/.

  7. Texas Instruments (2021, Jun). LMG352xR030-Q1 650-V 30-mΩ GaN FET with Integrated Driver, Protection, and Temperature Reporting (datasheet). Retrieved 2022-05-17, from https://www.ti.com/lit/ds/symlink/lmg3525r030-q1.pdf. 2 3

  8. Diodes Incorporated (2018, Jun). DMN61D8L/LVT: 60V N-Channel Enhancement Mode MOSFET (Datasheet). Retrieved 2021-10-26, from https://www.diodes.com/assets/Datasheets/DMN61D8L-LVT.pdf.

  9. Infineon (2012, Nov 28). BSP149: SIPMOS Small-Signal-Transistor. Retrieved 2022-01-07, from https://www.infineon.com/dgdl/Infineon-BSP149-DS-v02_01-en.pdf?fileId=db3a30433c1a8752013c1fcbb815397c. 2

  10. Wikipedia (2023, May 18). Threshold voltage. Retrieved 2023-05-28, from https://en.wikipedia.org/wiki/Threshold_voltage.

  11. Yu-Chin Lee, Jyh-Ling Lin (2020). Structural optimization and miniaturization for Split-Gate Trench MOSFETs with 60 V breakdown voltage. KeAi. Retrieved 2020-10-13, from https://www.sciencedirect.com/science/article/pii/S2589208820300041.

  12. onsemi (2023, May). AND90158/D: Understanding Power MOSFET Avalanche Operation and Associated UIS (UIL) Data Sheet Ratings [pdf]. Retrieved 2026-05-05, from https://www.onsemi.com/download/application-notes/pdf/and90158-d.pdf. 2 3

  13. Nexperia (2026, Feb 12). AN10273: Power MOSFET single-shot and repetitive avalanche ruggedness rating [pdf]. Retrieved 2026-05-04, from https://assets.nexperia.com/documents/application-note/AN10273.pdf. 2

  14. Nexperia. Automotive ASFETs for Repetitive Avalanche [product page]. Retrieved 2026-05-04, from https://www.nexperia.com/products/mosfets/application-specific-mosfets/asfets-for-motor-control/automotive-asfets-for-repetitive-avalanche.

  15. Nexperia (2020, Dec 2). BUK9K35-60RA: Dual N-channel 60 V, 35 mΩ logic level MOSFET in LFPAK56D using Repetitive Avalanche technology [datasheet]. Retrieved 2026-05-05, from https://assets.nexperia.com/documents/data-sheet/BUK9K35-60RA.pdf. 2 3

  16. Nexperia. BUK9K13-60RA: Dual N-channel 60 V, 12.5 mΩ logic level MOSFET in LFPAK56D using Repetitive Avalanche technology [product page]. Retrieved 2026-05-05, from https://www.nexperia.com/product/BUK9K13-60RA.

  17. Schimel, Paul (2011, Oct 20). The Spirito Effect Improved My Design—And I Didn’t Even Know It. ElectronicDesign. Retrieved 2020-10-14, from https://www.electronicdesign.com/power-management/article/21795492/the-spirito-effect-improved-my-designand-i-didnt-even-know-it.

  18. Schoiswohl, J. (2017, May). Linear Mode Operation and Safe Operating Diagram of Power-MOSFETs. Infineon. Retrieved 2020-10-13, from https://www.infineon.com/dgdl/Infineon-ApplicationNote_Linear_Mode_Operation_Safe_Operation_Diagram_MOSFETs-AN-v01_00-EN.pdf?fileId=db3a30433e30e4bf013e3646e9381200.