Skip to content

TO-126 Component Package

Published On:
Apr 8, 2026
Last Updated:
Apr 9, 2026

TO-126 (JEDEC: Transistor Outline Package, Case Style 126) is a 3 lead through-hole component package commonly used for medium-power transistors. The package is rectangular with a hole in the middle for bonding to a heatsink. It is most easily recognized apart from similar packages by the three small indentations on the circumference of the central hole.

A photo of the TO-126 component package.

It normally has a metallic back for good thermal bonding to the heatsink. Care has to be taken with electrical isolation as the back is usually electrically connected to one of the leads.

Synonyms

  • 12A3: The DIN name as per DIN 41869.1
  • A56: The IEC name as per IEC 60191.1
  • KT-27: The Russian GOST 18472-88 name.2
  • SOT-32: Name used by NXP and onsemi.34
  • TO-225AA: The name in the updated JEDEC outline system.1

Dimensions

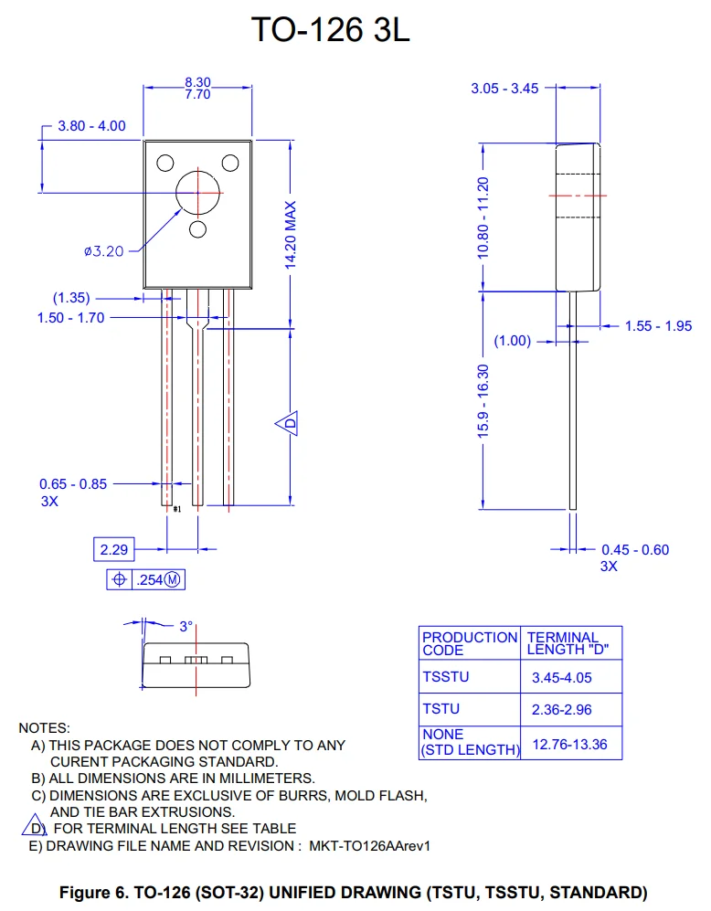
The dimensions of the TO-126 component package from onsemi are shown below.4

The dimensions of the TO-126 component package from onsemi.4

The body is approximately 11 mm (H) × 8 mm (W) × 3.25 mm (T), making it significantly smaller than the TO-220.5

Thermal Characteristics

The TO-126 is a medium-power package, positioned between the small-signal TO-92 and the larger TO-220. For a typical device in this package (e.g. onsemi’s BD139):4

  • Junction-to-case thermal resistance (RθJCR_{\theta JC}): 10 °C/W (max)
  • Junction-to-ambient thermal resistance (RθJAR_{\theta JA}): 100 °C/W (max, free air)
  • Maximum power dissipation: 12.5 W at Tc = 25°C, 1.25 W in free air with no heatsink

These values are inferior to the TO-220, which typically achieves 1-4 °C/W junction-to-case.

Heatsink Mounting

The central mounting hole accepts an M3 screw to fix the package to a heatsink.6 In BJT devices the metal backing is electrically connected to the collector pin, so a bare metal heatsink in contact with the backing will also be at the collector voltage — a short-circuit risk if the heatsink touches other circuitry.

For electrically isolated mounting, an insulating washer (mica or silicone pad) and thermal compound should be used between the package and the heatsink, along with a plastic shoulder washer to insulate the screw shank from the heatsink hole.6 onsemi’s AN1040 application note covers mounting considerations for this package in detail.7

Applications

Common applications include:

  • Audio amplifier driver stages: Complementary NPN/PNP pairs such as BD135/BD136, BD137/BD138, and BD139/BD140 are classic examples.8
  • Darlington transistors: Devices such as the BD681/BD682 for relay driving, motor control, and high-load switching.
  • Power switching: Relay and solenoid drivers, battery chargers.

Similar To

  • TO-220: A very popular through-hole package which looks similar to the TO-126. The TO-220 has a larger body (approx. 15.9 mm x 10.4 mm x 4.6 mm), better thermal performance (~1-4 °C/W junction-to-case vs ~10 °C/W for TO-126), and can dissipate significantly more power when mounted to a heatsink.

Footnotes

  1. Wikipedia (2024, Oct 21). TO-126 [wiki]. Retrieved 2026-04-08, from https://en.wikipedia.org/wiki/TO-126. 2 3

  2. HandWiki. Engineering:TO-126 [wiki]. Retrieved 2026-04-09, from https://handwiki.org/wiki/Engineering:TO-126.

  3. NXP Semiconductors. SOT32: TO-126 Single-ended Flange Mount [package page]. Retrieved 2026-04-09, from https://www.nxp.com/packages/SOT32.html.

  4. onsemi (2017, Nov). BD135 / 137 / 139 - NPN Epitaxial Silicon Transistor [datasheet]. Retrieved 2026-04-08, from https://www.onsemi.com/pdf/datasheet/bd139-d.pdf. 2 3 4

  5. EESemi. TO-126 Package. Retrieved 2026-04-09, from https://eesemi.com/to126.htm.

  6. EEVBlog (2013). How to fix TO-126 (a.k.a. SOT-32 a.k.a. TO-225AA) to heatsink without shorting [forum post]. Retrieved 2026-04-09, from https://www.eevblog.com/forum/beginners/how-to-fix-to-126-(a-k-a-sot-32-a-k-a-to-225aa)-to-heatsink-without-shorting/. 2

  7. onsemi. AN1040: Mounting Considerations for Power Semiconductors [application note]. Retrieved 2026-04-09, from https://www.onsemi.com/pub/Collateral/AN1040-D.PDF.

  8. STMicroelectronics (2008, May). BD135 - BD136 / BD137 - BD138 / BD139 - BD140: Complementary low voltage transistor [datasheet]. Retrieved 2026-04-09, from https://www.st.com/resource/en/datasheet/bd135.pdf.