Skip to content

SOT-902 Component Package

Published On:
Apr 6, 2015
Last Updated:
Apr 20, 2024

SOT-902 (Small Outline Transistor 902) is a small family of SMD component packages with 8 leads. There are three variants in this family:

  • SOT-902-1 (XQFN8U)
  • SOT-902-2 (XQFN8)
  • SOT-902-3 (XQFN8)

NXP seems to be the only manufacturer who uses this package.

SOT-902-1

SOT-902-1 is a variant in the SOT-902 family. SOT-901-1 has the added U on the end of it’s package code (XQFN8U), whilst SOT-902-2 and SOT-902-3 are both just XQFN8. This U stands for UTLP based (whatever that means?)1.

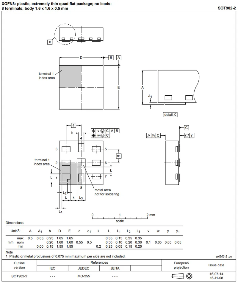
SOT-902-2

A 3D render of the SOT-902-2 component package from NXP2.

Synonyms

  • MO-255: JEDEC package outline code2.
  • XQFN8: NXP’s package type descriptive code2. Note that SOT-902-3 has the same code.

Dimensions

The dimensions of the SOT-902-2 component package from NXP2.
The land pattern for the SOT-902-2 component package from NXP2.

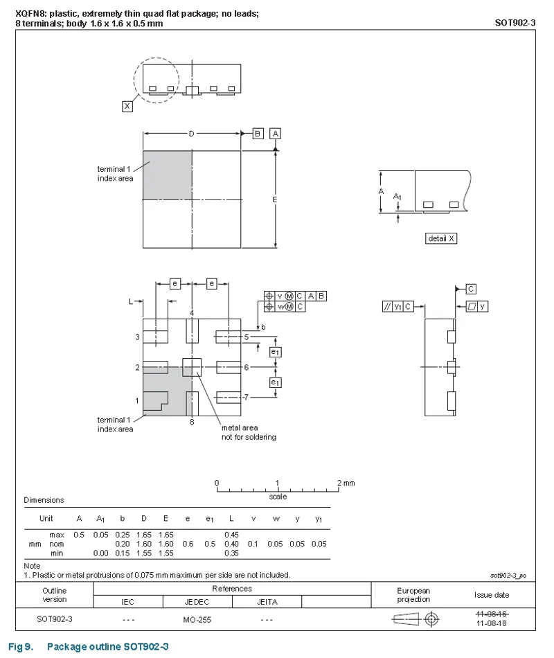
SOT-902-3

Dimensions

The dimensions for the SOT-902-3 component package. Image from http://www.nxp.com/documents/outline_drawing/sot902-3_po.pdf.
The land pattern for the SOT-902-3 component package. Image from http://www.nxp.com/documents/reflow_soldering/sot902-3_fr.pdf.

Footnotes

  1. NXP (2016, Feb 8). SOT902-1 - plastic extremely thin quad flat package; no leads; 8terminals; UTLP based; body 1.6 x 1.6 x 0.5 mm. Retrieved 2024-04-20, from https://www.nxp.com/docs/en/package-information/SOT902-1.pdf.

  2. NXP (2017, Feb 6). SOT902-2 - plastic, extremely thin quad flat package; 8 terminals; 0.55mm pitch; 1.6 mm x 1.6 mm x 0.5 mm body. Retrieved 2024-04-20 from https://www.nxp.com/docs/en/package-information/SOT902-2.pdf 2 3 4 5