Skip to content

TO-206 Component Package

Published On:
Jun 12, 2023
Last Updated:
Sep 9, 2025

The TO-206 (Transistor Outline Package, Case Style 206) component package is a family of large through-hole metal can packages used for things such as transistors. There are variants with anywhere from 2 to 8 leads1.

Synonyms:

  • H02A: A 2-lead “TO-46” package from National Semiconductor (now Texas Instruments)2.
  • H03C: What National Semiconductor calls the TO-206AA2.
  • H03H: A 3-lead “TO-46” package from National Semiconductor (now Texas Instruments)2.
  • H04A: A 4-lead “TO-46” package from National Semiconductor (now Texas Instruments)2.
  • H04D: A 4-lead “TO-46” package from National Semiconductor (now Texas Instruments)2.
  • TO-18

Variants:

  • TO-206AA: The popular 3-lead variant. Also called TO-18-3.
  • TO-206AB: 3-lead with 1.90mm cap height. Also called TO-46.1
  • TO-206AC: 3-lead with 3.30mm cap height. Also called TO-52.1
  • TO-206AF: 4-lead. Also called TO-72.
  • TO-71: 8-lead TO-18.

Common Uses

  • Diodes (TO-18-2)
  • Transistors (TO-18-3)
  • Infrared thermopile temperature sensors (TO-206AB/TO-46)

Similar To:

TO-206AA (TO-18-3)

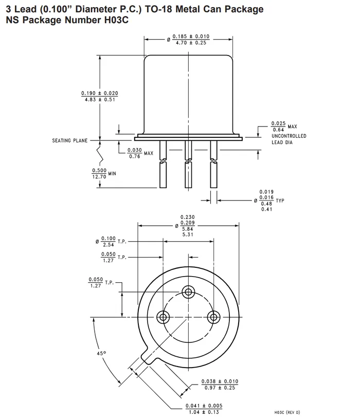
The TO-206AA is the most common 3-lead version in the TO-206 family. It is also known by it’s older name as the TO-18-3 — or just ambiguously as the TO-18. National Semiconductor called this package H03C2. Transistors such as the 2N2222A BJT are available in this package.

A photo of the TO-206AA (TO-18-3) from DigiKey3.

The dimensions of the TO-206AA are shown below:

Dimensions for the TO-206AA (TO-18) component package from National Semiconductor (now Texas Instruments)2.

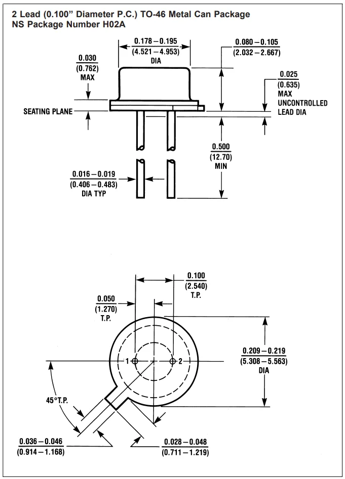
TO-206AB (TO-46)

JEDEC classified the TO-46 package as the TO-206AB package.1 Confusingly, Texas Instruments has a 2-lead, 3-lead and 2x 4-lead packages classified all under the TO-46 name.2

Dimensions for the TO-46 2-lead component package from Texas Instruments.2
Dimensions for the TO-46 3-lead component package from Texas Instruments.2
Dimensions for the 2 TO-46 4-lead component packages from Texas Instruments.2

Footnotes

  1. Wikipedia (2021, Nov 19). TO-18. Retrieved 2023-06-12, from https://en.wikipedia.org/wiki/TO-18. 2 3 4

  2. National Semiconductor (now Texas Instruments) (1999, Aug). SNOA033 - Metal,Can,Packages - Metal Can Packages (TO-3/5/8/18/39/46/52/72). Retrieved 2023-06-12, from https://www.ti.com/lit/an/snoa033/snoa033.pdf. 2 3 4 5 6 7 8 9 10 11

  3. DigiKey. Central Semiconductor Corp 2N2222A PBFREE. Retrieved 2023-06-12, from https://www.digikey.com/en/products/detail/central-semiconductor-corp/2N2222A-PBFREE/4806845.