Skip to content

DSOP Advance Component Package

Published On:
May 13, 2015
Last Updated:
Apr 27, 2024
A photo of the top and bottom of the DSOP Advance component package. Image from Business Wire1.

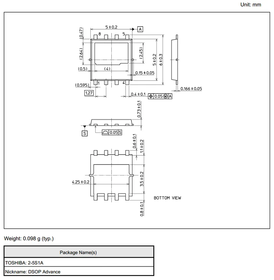
DSOP (Dual-side Cooling SOP) Advance is a SMD component package used by Toshiba that has thermal pads on both the underside and topside of the package. It has a pin count of 10 (8 if you don’t count the two pins by themselves) and a pitch of 1.27mm (50 mil).

Synonyms

  • 2-5S1A: Toshiba.
  • DSOP-Advance-8: Mouser2.

Thermal Resistance

The DSOP Advance comes with dual-side cooling features to further decrease the thermal resistance compared to the SOP Advance component package.

Dimensions

The package is 5x6x0.73mm, including the leads (nominal).

The dimensions for the DSOP Advance component package.
The recommended land pattern for the DSOP Advance component package.

Footnotes

  1. Business Wire (2015, Feb 27). Toshiba Launches Low-Voltage MOSFET Series with Dual-sided Cooling Packages [news article]. Retrieved 2024-04-27, from https://www.businesswire.com/news/home/20150227005214/en/Toshiba-Launches-Low-Voltage-MOSFET-Series-with-Dual-sided-Cooling-Packages.

  2. Mouser Electronics. MOSFETS - DSOP-Advance-8 [search results]. Retrieved 2024-04-27, from https://nz.mouser.com/c/semiconductors/discrete-semiconductors/transistors/mosfet/?package%20%2F%20case=DSOP-Advance-8.