Skip to content

SOT-23F Component Package

Published On:
Dec 7, 2022
Last Updated:
Dec 14, 2024

The SOT-23F component package is a 3-pin SMD component package that is very similar to the SOT-23 package, except the leads are flat rather than gull-wing (presumably that’s what the F stands for). A PCB footprint for the SOT-23 can usually be interchangeably used with a SOT-23F as the leads have the same pitch and spacing.

A 3D render of the SOT-23F component package1.

The SOT-23F package is used for the same components the SOT-23 package is used for — namely transistors, voltage references

Synonyms

  • 2-3Z1S (Toshiba2)

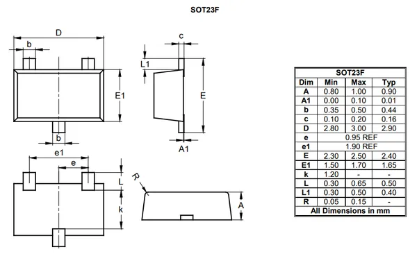
Package Outline and Dimensions

The package outline and dimensions of the SOT-23F package from Diodes Inc3.
The recommended PCB footprint for the SOT-23F package by Diodes Inc3.

Footnotes

  1. RS Components. TCS40DPR,LF(T - Toshiba Surface Mount Hall Effect Sensor, SOT-23F, 3-Pin (product page). Retrieved 2022-12-07, from https://my.rs-online.com/web/p/motion-sensor-ics/2363597.

  2. Toshiba. Package & Packing Information - Product detail - SOT-23F. Retrieved 2022-12-07, from https://toshiba.semicon-storage.com/ap-en/semiconductor/design-development/package/detail.SOT-23F.html.

  3. Diodes Incorporated. SOT-23F - Package Information. Retrieved 2022-12-07, from https://www.diodes.com/assets/Package-Files/SOT23F.pdf. 2