Skip to content

BLDC Motor Control Page Added

Published On:
Oct 4, 2012
Last Updated:
Oct 4, 2012
A supposedly ‘3kW’ BLDC motor I got from Hobby King.

If you ever need to control a BLDC motor, hit up this page! This newly added information is all about the different types of BLDC motor, how the windings and magnets are orientated, the different control methods and the different feedback variables.

It also has BLDC motor equations,

Screenshot of the BLDC motor equations on the BLDC motor page.

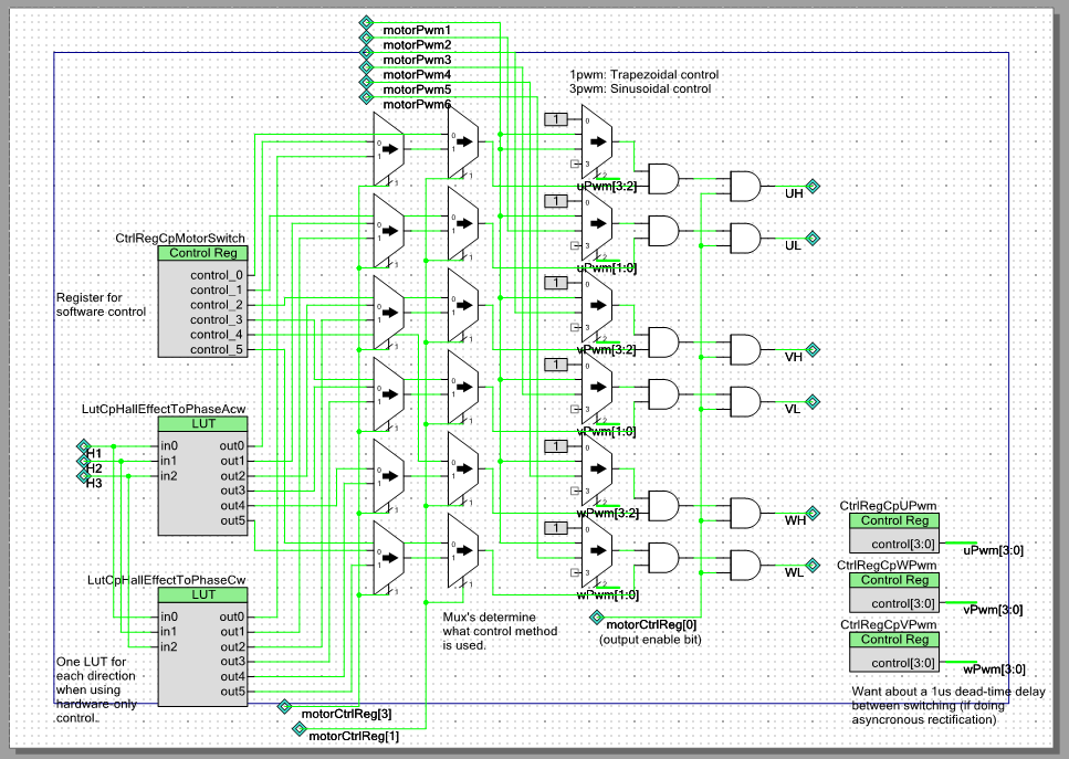
a schematic diagram for PSoC hardware,

A PSoC schematic containing LUT’s and multiplexors for trapezoidal-control of a BLDC motor.

and example code.

Screenshot of the LUT code on the BLDC page.

This page can be found at Electronics->Circuit Design->BLDC Motor Control.