Skip to content

March 2020 Updates

Published On:
Mar 31, 2020
Last Updated:
Mar 31, 2020

Added the new USON Component Package page.

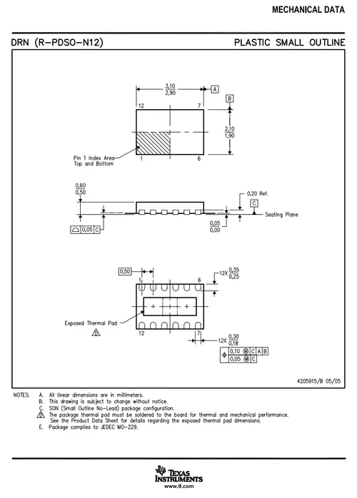
Updated the WSON Component Package page.

Added projection info to the rasterio page.

Added search functionality. When I first moved this blog from a “dynamic” Wordpress-based server to static hosting and Hugo, I thought search functionality was just one of those luxuries I would have to give up. But apparently not! As long as all the search data is assembled at site build time, we can perform the search functionality client side (i.e. on your computer, using your processor :-D). See the blog post We Now Have Search for more information!

Added an section on how to remove masked values from a masked array to the Numpy page.

Added a new tutorial on geopandas.

Added a the page Python And File Paths with information on the pathlib module.

Added a new page on the The Three Classical Pythagorean Means.

Added the section How To Speed Up ‘sending build context to docker daemon’ to the Docker page.