Skip to content

Multiplexers And Demultiplexers

Published On:
Jan 28, 2021
Last Updated:
Jan 30, 2021

Multiplexers (a.k.a. a MUX or data selector) are integrated circuits which can be used to select one of many input signals and connect it to a single output signal. A demultiplexer does the reverse, it connects a single input signal to one of many output signals.

Analogue Multiplexers And Demultiplexers

Analogue multiplexers pass an analogue signals from one of many inputs to a single output. Whilst a digital multiplexer buffers and amplifies the output, an analogue multiplexer does not, you can simply view it as a simple switched connection between input and output (albeit with a larger resistance than a mechanical switch). For this reason, analogue multiplexers are bidirectional (signals can pass from input to output, as well as pass from output to input), whilst digital multiplexers are single direction only (from input to output).

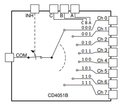
The functional diagram of the CD4051B 8:1 analogue multiplexer by Texas Instruments. Image retrieved from https://www.ti.com/lit/ds/symlink/cd4052b.pdf on 2021-01-30.

It’s important to note that most analogue multiplexers have a much higher resistance than a traditional mechanical switch or even transistor, with most specifying an on-state resistance (max) between 3030 and 150Ω150\Omega.

Deviations From An Ideal Switch

  • The on-state resistance of a analogue multiplexer is much higher than a mechanical switch.
  • The voltage on the input and output cannot exceed VDDV_{DD} and VEEV_{EE} by more than a diodes forward voltage drop (0.6V\approx 0.6V, any higher than this and conduction from your signal to the rails occurs, distorting your signal).

Datasheet Parameters

On-State Resistance

The resistance between the input and output when the input is switched to the output. Typically specified as a maximum, with nominal values being between 3030 and 150Ω150\Omega.

Switching Procedure

  • Break-before-make

Manufacturer Part Numbers

  • 4051: Common part number segment used by a number of manufacturers for a analogue 8:1 multiplexer.
  • 74HC4051: Family of “4051 style” analogue multiplexers by Nexperia.
  • CD4051: Family of “4051 style” analogue multiplexers by Texas Instruments.
  • CD74HC: Popular range of analogue multiplexers by Texas Instruments.

DIN Mounted Analog Multiplexors

DIN-mounted analog multiplexors are designed to multiplex many incoming analog input signals before being fed into a PLCC with a limited number of analog inputs (perhaps just one!).

16-channel analog input multiplexer by Intech.

Suppliers