Skip to content

SOT-23 Component Package

Published On:
Apr 6, 2015
Last Updated:
Jan 21, 2026

SOT-23 (Small Outline Transistor 23) is the JEDEC code for a family of very popular medium-sized SMD packages with 3 to 8 gull-wing leads.

When surface mount components were just beginning to gain popularity, SOT-23 was introduced to replace the well used through-hole 3-pin TO-18 and TO-92 transistor packages, and so the first variant of SOT-23 was the 3 leaded version (SOT-23-3, officially called TO-236AA by JEDEC)1.

The SOT-23 family probably has the largest number of differing variant names which all refer to the same packages (see the synonym section above).

The number of pins used not only depends on the required number of connections but also the desired thermal resistance (high-current SOT-23 devices may use more than one pin for the same net to improve thermal performance). SparkFun makes a SOT-23 to DIP breakout board.

The 3, 5, and 6 pin SOT-23 variants have the same pitch of 0.95mm, and all are compatible with the 6 pin footprint (which means you can use a SOT-23-6 adapter board for the 3 and 5 pin variants also). SOT-23-8 has a smaller pitch of 0.65mm to fit all the leads on the package without changing the body dimensions.

JEDEC formalized the dimensions of the SOT-23 package (and all it’s variants) in the MO-178 document (with package designator R-PDSO-G). After registering, you can download this document for free from https://www.jedec.org/standards-documents/docs/mo-178-c.

The SOT-23F package is closely related to the SOT-23 put has flat leads instead of gull-wing leads.

The body of all SOT-23-x packages is 1.30x2.92mm. The component area taking into account the leads is 7.98mm² (2.9x2.75mm). The standard land area is 11.22mm² (3.3x3.4mm).

Easy to hand-solder if you have had a bit of practise with surface mount devices before. Easy to solder with infrared or reflow techniques.

R-PDSO-G is the JEDEC package designator for SOT-23 in all it’s variants2.

SOT-23-3

SOT-23-3 is the most common package in the SOT-23 family, and is sometimes just referred to as SOT-23. The image below shows a 3D render of the SOT-23-3 package by Nisshinbo.

A 3D render of the SOT-23-3 component package by Nisshinbo3.

Synonyms

  • 1-3G1G: Toshiba’s package code4.
  • 2-3AB1A: Toshiba package code5.
  • 318D-04: onsemi package code6.
  • 526AG: Fairchild Semiconductor’s package code7.
  • Micro3: International Rectifier package code8.
  • MPAK: NXP Semiconductors’ package code9.
  • RT-3: Analog Devices package code10.
  • S3: Analog Devices package code, seems like it a legacy code from when Linear Technology existed11
  • SC-59: JEITA EIAJ code12.
  • SMT3: Rohm Semiconductor code12, NXP Semiconductors’ package code9.
  • SOT-23: Informal JEDEC name. If no additional number is provided, assume SOT-23 has 3 pins.
  • SOT-23-3: Informal JEDEC name.
  • SOT-346: Some manufacturers consider the SOT-23-3 and SOT-346 to be different packages, and others conflate the two. I’ve decided to bundle them together, because after sifting through dimensions on many datasheet they generally have overlapping and very similar numbers, making them equivalent for most use cases. But I must stress, always check the datasheet!
  • SSOT3: The name used by Mouser for Fairchild Semiconductor parts (presumably an abbreviation of SuperSOT-3)13.
  • SuperSOT-3: Fairchild Semiconductor’s brand name7.
  • TO-236AA: Formal JEDEC code (see note below).
  • TO-236AB: Formal JEDEC code (see note below)5.
  • TO-236MOD: JEDEC code according to Toshiba4.

Both TO-236AA and TO-236AB are official JEDEC names for the SOT-23-3 package. An image comment on Wikipedia14 states that the TO-236AB package is approximately 0.1mm higher. However it is hard to verify this claim by comparing manufacturer package dimensions, as 0.1mm is well with the manufacturing tolerances.

Dimensions

  • Pitch: 1.9mm
  • Body: 1.3mm wide, 2.9mm long, 1.0mm high
  • Body + Leads: 2.5mm wide, 2.9mm long

The image below shows the dimensions of the SOT-23-3 package:

The dimensions of the SOT-23-3 component package.

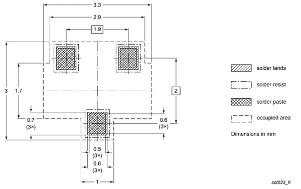
The image below shows the recommended land pattern by NXP for the SOT-23-3 package.

The recommended land pattern for the SOT-23-3 package by NXP15.

Common Uses

Because of the 3 leads, SOT-23-3 is used for a large number of low-power 2-3 lead devices such as linear regulators, BJTs, MOSFETs and diodes (sometimes with two diodes, sharing either a common anode or cathode).

  • Linear regulators
  • BJTs
  • MOSFETs
  • Diodes (including diode arrays)

SOT-23-5

The image below shows a 3D render of the SOT-23-5 package from Direnc.

A 3D render of the SOT-23-5 package from Direnc16.

Synonyms

  • RJ-5: Analog Devices
  • SC-74A: JEITA
  • SOT-753
  • SOT-25: TopLine

Dimensions

The image below shows the dimensions of the SOT-23-5 package from Bourns.

The dimensions of the SOT-23-5 package from Bourns17.

The image below shows a recommended land pattern from Bourns for the SOT-23-5 package.

A recommended land pattern from Bourns for the SOT-23-5 package.

Common Uses

  • Op-amps
  • Linear voltage regulators

Similar To

The SOT-23-3 package is very similar to the SOT-346 package, with many manufacturer’s dimensions for the two packages coinciding, and in many cases the same PCB land pattern will work with both packages.

SOT-23-6

The image below shows a 3D render of the SOT-23-6 component package.

A 3D render of the SOT-23-6 (SOT-457) component package.

Synonyms

  • RJ-6: Analog Devices
  • SC-74: JEITA
  • SMT6: Rohm Semiconductor
  • SOT-26: SOT-23-6 by TopLine
  • SOT-457: JEDEC

Non-standard Pin Numbering

The Rohm SOT-23-6 component package (a.k.a. SOT-457, IMT4) with non-standard pin numbering.

Dimensions

The SOT-23-6 has a pitch of 0.95mm.

Common Uses

SOT-23-8

SOT-23-8 is a package with 8 leads in the SOT-23 family.

Synonyms

  • RJ-8: Analog Devices
  • SM8: Diodes Incorporated
  • SOT-28: TopLine
  • TS8: Linear Technology (now Analog Devices)18

Dimensions

The SOT-23-8 has a pitch of 0.65mm, which is different to the 0.95mm pitch used in all other packages in this family. This is so it can fit 4 leads on each side without changing the body dimensions.

Dimensions for the SOT-23-8 component package. Image from http://www.diodes.com/.
A recommended footprint for the SOT-23-8 component package. Image from http://www.diodes.com/.

Footnotes

  1. MAD PCB. SOT-23. Retrieved 2023-07-22, from https://madpcb.com/glossary/sot-23/.

  2. https://www.jedec.org/standards-documents/docs/mo-178-c

  3. Nisshinbo Micro Devices Inc. SOT-23-3 [Package Information]. _Retrieved 2023-07-22, from https://www.nisshinbo-microdevices.co.jp/en/design-support/package/sot-23-3.html.

  4. Toshiba (2001, Jun 7). 1SS398 - Silicon Epitaxial Planar Diode [Datasheet]. Retrieved 2023-07-23, from https://docs.rs-online.com/d0bb/0900766b80849698.pdf. 2

  5. Toshiba. SOT23 [Package Information]. Retrieved 2023-07-22, from https://toshiba.semicon-storage.com/ap-en/semiconductor/design-development/package/detail.SOT23.html. 2

  6. onsemi (2012, Jul). M1MA151KT1, M1MA152KT1 - Single Silicon Switching Diodes [Datasheet]. Retrieved 2023-07-23, from https://www.onsemi.com/pdf/datasheet/m1ma151kt1-d.pdf.

  7. Fairchild Semiconductor (2000, Jun). FDN304P - P-Channel 1.8V Specified PowerTrench MOSFET [Datasheet]. Retrieved 2023-07-24, from https://pdf.dzsc.com/FDN/FDN304P.pdf. 2

  8. International Rectifier (2014, Apr 28). IRLML6401PbF - HEXFET Power MOSFET [Datasheet]. Retrieved 2023-07-22, from https://www.infineon.com/dgdl/Infineon-IRLML6401-DataSheet-v01_01-EN.pdf?fileId=5546d462533600a401535668b96d2634.

  9. NXP. SOT346: SMT3; MPAK [Package Information]. Retrieved 2023-07-22, from https://www.nxp.com/packages/SOT346. 2

  10. Analog Devices. 3-Lead Small Outline Transistor Package - SOT-23-3 (RT-3) [Package Information]. Retrieved 2023-07-22, from https://www.analog.com/media/en/package-pcb-resources/package/pkg_pdf/sot-23-3-rt/rt_3.pdf.

  11. Analog Devices. S3 Package - 3-Lead Plastic SOT-23 (Reference LTC DWG # 05-08-1631 Rev D) [Package Information]. Retrieved 2023-07-22, from https://www.analog.com/media/en/package-pcb-resources/package/pkg_pdf/ltc-legacy-sot-23/sot3%2005-08-1631%20rev%20d.pdf.

  12. Rohm Semiconductor. 2SB1590K - Low frequency amplifier [Datasheet]. Retrieved 2023-07-23, from https://fscdn.rohm.com/en/products/databook/datasheet/discrete/transistor/bipolar/2sb1590kt146q-e.pdf. 2

  13. Mouser. FDN5632N-F085 [Product Page]. Retrieved 2023-07-24, from https://www.mouser.com/ProductDetail/onsemi-Fairchild/FDN5632N-F085?qs=THZS4U49PK5JFq8XNv2RZA%3D%3D.

  14. https://commons.wikimedia.org/wiki/File:TO-236AA_Front_Top.svg

  15. NXP (2017, Jan 9). SOT-23 - plastic, surface-mounted package; 3 terminals; 1.9 mm pitch; 2.9 mm x 1.3 mm x 1 mm body [Package Information]. Retrieved 2023-07-22, from https://www.nxp.com/docs/en/package-information/SOT23.pdf.

  16. Direnc. TPS70950DBVR - SOT23-5 5V 150m Linear Voltage Regulator [Product Page]. Retrieved 2023-07-22, from https://www.direnc.net/tps70950dbvr-sot23-5-5v-150m-lineer-voltaj-regulator-en.

  17. Bourns (2008, Jun). SOT23-5 [Package Information]. Retrieved 2023-07-22, from https://www.bourns.com/docs/Product-Datasheets/sot23-5.pdf.

  18. Analog Devices. Pushbutton On/Off Controller with µP Interrupt [datasheet]. Retrieved 2024-08-28, from https://www.analog.com/media/en/technical-documentation/data-sheets/2954fb.pdf.