Skip to content

SOP Component Package

Published On:
Apr 6, 2015
Last Updated:
Dec 13, 2024
A 3D model of the SOP-4 component package. Image from www.digikey.com.

SOP (Small Outline Package) is a SMD component package. The SOP is the SMD equivalent of the DIP component package, and has the same pitch of 2.54mm (100mil).

Synonyms

  • 11-5H1S: Toshiba’s package code for it’s 2.54SOP41.
  • 2.54SOP4: Toshiba variant of the SOP-41.
  • DUB: TI SOP-82

Similar To

  • SSOP (Shrink Small Outline Package): A smaller version of the SOP package.

SOP-4

The SOP-4 is an easy to solder, medium sized, 4-pin SMD package. Commonly used for small solid-state relays (Vishay makes quite a few of them) and optocouplers. Related to SOP-4L, which is the same width, but longer.

A photo of the SOP-4 component package.

Dimensions

The dimensions and recommended land pattern for the SOP-4 component package. Image from http://www.everlight.com/datasheets/EL452-G.pdf.

2.54SOP4

The 2.54SOP4 is a SOP-4 variant from Toshiba1. It has slightly different body dimensions from the SOP-4.

Dimensions

The 2.54SOP4 body is 4.4mm wide (the edges with the leads) and 3.9mm long. It is 2.1mm high from PCB to top of package1.

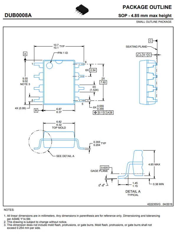
SOP-8

The package dimensions for the SOP-8 component package from TI2.

Common Uses

Common uses:

  • Solid-state relays.
  • Optocouplers.
  • Optically-isolated transceivers.

Footnotes

  1. Toshiba. 2.54SOP4. 2.54SOP4. Retrieved 2024-04-15, from https://toshiba.semicon-storage.com/ap-en/semiconductor/design-development/package/detail.2.54SOP4.html. 2 3 4

  2. Texas Instruments (2023, Oct). ISO1050 Isolated CAN Transceiver [datasheet[. Retrieved 2024-04-15, from https://www.ti.com/lit/ds/symlink/iso1050.pdf. 2